

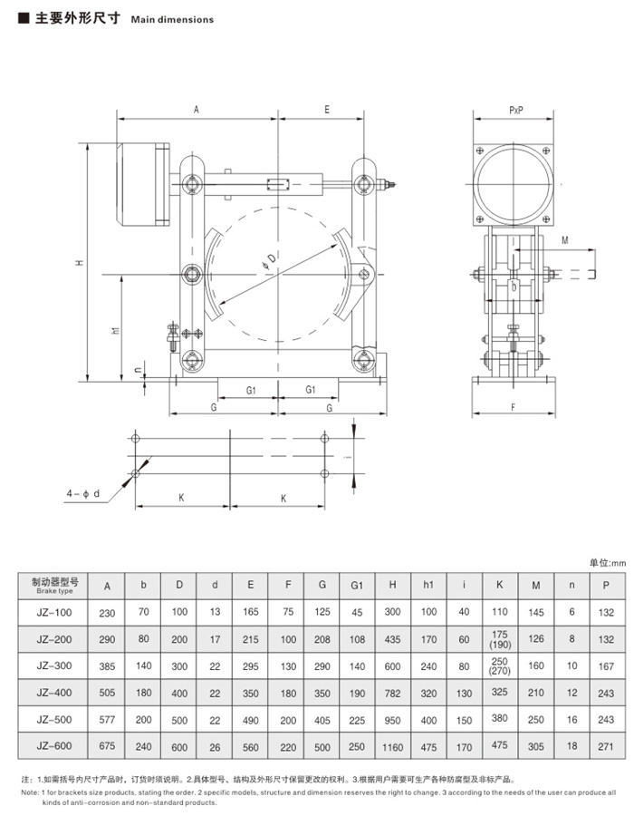
JZ系列节能电磁铁鼓式制动器
中国重型机械总公司焦作制动器厂是一家制造各种传动设备电力液压制动器,电力液压推动器,液压盘式制动器,电磁盘式制动器,气动盘式制动器,电磁块式制动器,隔爆电力液压推动器,防爆电力液压制动器,风电偏航制动器,高速轴制动器,风电制动器刹车片,盘式制动器摩擦片,电力液压制动器刹车片,电磁离合器,电磁制动器,制动电机等设备厂家我们具有多年的风电,起重,冶金,港口,水利相关产品与服务的销售和经验。
发布时间:2021-05-18
咨询热线:
0391-7543530
产品详情


相关案例
在线订购
温馨提醒:
为了能及时和您取得联系,请您务必填写您的联系方式和需求信息,您可以输入您的需求;您也可以通过商务联系我们的24小时在线客服,中国重型机械总公司焦作制动器厂-致力成为您满意的合作伙伴!
联系我们
地址:河南省焦作市
联系人:牛总
电话:0391-7543530
电话:15239003005